LED Torch
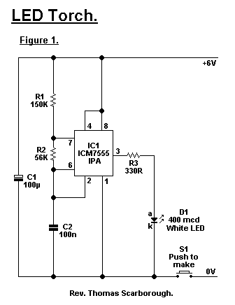
The LED Torch is based on a 7555 timer running in astable mode (do not use an ordinary 555). A white LED (Maplin order code NR73) produces 400 mcd light output, which, when focussed, can illuminate objects at 30 metres. Try Conrad Electronic for what appears to be a stronger white LED (order code 15 37 45-11).
A convex lens with short focal length is placed in front of the LED to focus the beam. If banding occurs at the beams perimeter, use another very short focal length lens directly in front of the LED to smooth the beam.
If a different supply voltage is preferred, the value of resistor R3 is modified as follows:
9V - 470 Ohm
12V - 560 Ohm
See my "Wind-up Torch" feature article in the October 2000 edition of Everyday Practical Electronics for a completely battery-free go-everywhere torch.










